ホーム / ニュース

ニュース

農業オートメーションにおける農業チェーンの応用

農業オートメーションにおける農業チェーンの応用

産業チェーンにとって、あらゆる分野での有用性は比較的大きいです。私たちの生産は産業チェーンの協力と切り離せないことがわかります。 農業チェーン 一般的な産業チェーンの 1 つです。専用チェーンのカテゴリに属します。一般的には農業生産に使用されます。農業用保持および配...

トランスミッションチェーンのユニークな利点

トランスミッションチェーンのユニークな利点

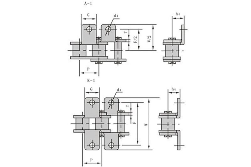
チェーンは伝動チェーン、リフティングチェーン、トラクションチェーンに分けられます。リフティングチェーンとトラクションチェーンは、吊り上げおよび輸送機械に使用されます。伝動チェーンは一般的な機械式伝動装置に広く使用されています。 トランスミッションチェーン ローラーチ...

トランスミッションチェーン設計の手順は何ですか

トランスミッションチェーン設計の手順は何ですか

設計や製作の過程で、 トランスミッションチェーン 、ブランキング、編組、溶接、「成形」、熱処理という 4 つの重要なステップがあります。次に、hzqjchain トランスミッションチェーンメーカーが皆さんに簡単に紹介します。 ブランキングとは、事前に...

コンベヤチェーンの4つの潤滑方式

コンベヤチェーンの4つの潤滑方式

チェーン業界では、 コンベヤチェーン よく使われるチェーンタイプです。使用時には潤滑油のメンテナンスも必要です。では、適切な潤滑油はどのように選べばよいのでしょうか?以下を見てみましょう オイル点滴潤滑はオイルカップを使用し、オイルパイプを通してルー...

リーフチェーンの機能は何ですか

リーフチェーンの機能は何ですか

ブレードチェーンの構成部品のサイズは標準のローラーチェーンと同様であるため、ブレードチェーンの経済的な生産は、ローラーチェーンを大量に生産できる工場に大きく依存します。それでは、リーフチェーンの機能は何でしょうか? の リーフチェーン リンクプレートとピン...

サイレントチェーンの構造と特徴

サイレントチェーンの構造と特徴

の構造 サイレントチェーン とてもシンプルです: ボードとピンだけです。ピッチは9.52mmから50.8mmまでの8種類あります。 リンクプレートは引っ張り力に耐え、スプロケットと係合するための凹部を備えています。ガイド板に隙間はありません。これらのプレー...

ローラーチェーンの保証詳細

ローラーチェーンの保証詳細

の ローラーチェーン インナーチェーンプレート、アウターチェーンプレート、ピン、スリーブ、ローラーで構成されています。 のre is an interference fit between the inner link plate and the slee...

工業用スプロケットは長期間使用すると摩耗します

工業用スプロケットは長期間使用すると摩耗します

使えば誰でもそれが分かるでしょう 工業用スプロケット 長い間、工業用スプロケットには磨耗現象があることがわかります。 工業用スプロケットの噛み合い過程では、歯の接触面に材料の摩擦損傷が発生することがよくあります。摩耗量が期待寿命内で歯車が持つべき機能に影響...

工業用スプロケットとシンクロプーリーの違い

工業用スプロケットとシンクロプーリーの違い

スプロケットも歯型のスプロケットホイールで、チェーンリングのピッチやケーブルのピッチと正確に噛み合うために使用されます。ソリッドタイプまたはスポークタイプに属します。チェーンと噛み合って動きを前方に伝達するギア。 スプロケットホイールは、その独自の特性により、化学産業、繊維産業、食品...

産業用チェーンに適した潤滑剤は何ですか

産業用チェーンに適した潤滑剤は何ですか

チェーン潤滑に使用される液体油状物質は、産業用チェーンの潤滑、防錆、防水、減摩などの機能を持っています。基油、添加剤、製造プロセスの違いに応じて、工業用グレードと食品用グレードの 2 つのカテゴリに分類されます。チェーンオイルは工業用潤滑剤です。各種部品の潤滑や防錆に使用されます。 ...

ドライブチェーンの設計は生活のあらゆるところにあります

ドライブチェーンの設計は生活のあらゆるところにあります

ドライブチェーン デザインは生活のあらゆるところにあります。では、ドライブチェーンの原理はどのように設計されているのでしょうか?ドライブチェーンは、特殊な歯形をしたドライブスプロケットの動きと動力を、チェーンを介して特殊な歯形をしたドリブンスプロケットに伝達する伝達方...

農業用チェーンメーカーがメカニカルチェーンのメンテナンス方法を導入

農業用チェーンメーカーがメカニカルチェーンのメンテナンス方法を導入

メカニカルチェーンのメンテナンスについて、hzqjchainメーカーより以下の説明がございます。 農業チェーン 彼ら自身の経験に基づいて。 スプロケットは、傾いたり振れたりすることなくシャフトに取り付けてください。同じトランスミッション アセンブリ内の 2...